Описание
Реле утечки РУ-380 купить, цена, характеристики.
Реле утечки тока РУ-380
предназначено для контроля сопротивления изоляции и защиты электрических сетей от утечек тока на землю. Устройство применяется в сетях переменного тока напряжением до 380 В и используется для повышения электробезопасности промышленного оборудования.
Реле утечки РУ-380 широко применяется в промышленности, энергетике, строительстве, на крановом и шахтном оборудовании, а также в распределительных установках.
Назначение и область применения реле утечки РУ-380 используется для:
контроля утечки тока на землю;
защиты персонала от поражения электрическим током;
предотвращения аварий и повреждения оборудования;
контроля состояния изоляции сети;
автоматического отключения при аварийных режимах.
Применяется в:
сетях 3×380 В;
промышленных электроустановках;
крановом и подъёмном оборудовании;
распределительных щитах;
технологических линиях.
Принцип работы реле утечки РУ-380
Реле контролирует сопротивление изоляции сети относительно земли.
При снижении сопротивления ниже установленного значения или возникновении опасной утечки тока устройство формирует сигнал отключения, предотвращая дальнейшую эксплуатацию оборудования в аварийном режиме.
Преимущества реле утечки РУ-380
✅ высокая надёжность
✅ стабильная работа в промышленных условиях
✅ повышение уровня электробезопасности
✅ простота подключения и эксплуатации
✅ ремонтопригодная конструкция
✅ длительный срок службы
Технические характеристики РУ-380
| Параметр | Значение |
| Тип устройства | Реле утечки тока |
| Модель | РУ-380 |
| Номинальное напряжение сети | 380 В |
| Род тока | Переменный |
| Частота сети | 50 Гц |
| Контролируемая величина | Сопротивление изоляции |
| Назначение | Защита от утечки тока |
| Исполнение | Промышленное |
| Монтаж | Щитовой |
Электрические параметры
| Параметр | Значение |
| Напряжение питания | 380 В |
| Количество фаз | 3 |
| Частота | 50 Гц |
| Тип сети | С заземлённой нейтралью |
| Выходной сигнал | Контакт реле |
Комплектация
реле утечки РУ-380;
паспорт и техническое описание;
упаковка.
Производство и контроль качества
Мы поставляем реле утечки РУ-380 с контролем качества на каждом этапе:
входной контроль комплектующих;
проверка электрических параметров;
функциональные испытания;
финальная приёмка перед отгрузкой.
Экспорт реле утечки
Осуществляем поставки реле утечки РУ-380 на экспорт.
Поставка возможна технической документацией и упаковкой для международных перевозок.
Где купить реле утечки РУ-380
У нас можно купить:
реле утечки РУ-380
сопутствующее электрооборудование;
комплектующие для промышленных сетей.
Поставка:
напрямую от поставщика;
с гарантией;
с доставкой и самовывозом.
Цена реле утечки РУ-380
Цена зависит от:
объёма заказа;
комплектации;
условий поставки.
Для уточнения актуальной стоимости — свяжитесь с менеджером или отправьте запрос через сайт.
| Номинальное напряжение защищаемой сети (50 Гц), В | 380 |
| Длительный ток утечки, А, не более | 0,025 |
| Сопротивление срабатывания реле утечки при симметричной трехфазной утечке, кОм, на фазу, не менее | 10 |
| Сопротивление срабатывания реле утечки при однофазной утечке в диапазоне емкостей от 0 до 1,0 мкФ на фазу и номинальном напряжении сети, кОм, не более | 15 |
| Собственное время срабатывания реле утечки при возникновении однофазной утечки сопротивлением 1000 Ом, с, не более | 0,1 |
| Уровень взрывозащиты | РВ |
| Вид взрывозащиты | 3В |
| Потребляемая мощность, В А | 30 |
| Средняя наработка на отказ, ч., не менее | 10 000 |
| Средний срок службы, лет | 5 |
| Габариты, мм, не более | 390х375х315 |
| Масса, кг, не более | 40 |
| Код ТН ВЭД | 8536 49 000 |
| ТУ 12.0159412.032-90 |
Реле утечки РУ 380.1М с самоконтролем исправности элементов схемы РУ-380.1М предназначено для защиты людей от поражения электрическим током и других опасных последствий утечек тока на землю в трехфазных электрических сетях переменного тока напряжением 380 В с изолированной нейтралью трансформатора.
Предназначено для защиты людей от поражения электрическим током и предотвращения опасных последствий утечек тока на землю в трехфазной сети переменного тока напряжением 380 В с изолированной нейтралью трансформатора при снижении общего сопротивления изоляции до опасной величины.
Реле утечки эксплуатируется в шахтах, опасных по газу или пыли, в условиях умеренного климата при температуре окружающего воздуха от минус 40 до 35 °С и относительной влажности до 100% при температуре 35 °С.
Реле утечки РУ-380
уменьшает вероятность:
— воспламенения электрооборудования токами утечки на землю;
— преждевременного воспламенения электродетонаторов токами утечки;
— развития повреждения работающего электрооборудования с отсыревшей изоляцией;
— опасного нагрева и сквозного прожога взрывобезопасных оболочек электрооборудования под воздействием устойчивой дуги, возникающей между проводниками и оболочкой;
— воспламенения рудничного газа и угольной пыли токами утечки.
Благодаря самоконтролю исправности основных элементов схем реле утечки предотвращается эксплуатация электрических сетей при неисправном реле утечки.
РУ — реле утечки;
380 — номинальное напряжение питания, В;
1М — модификация;
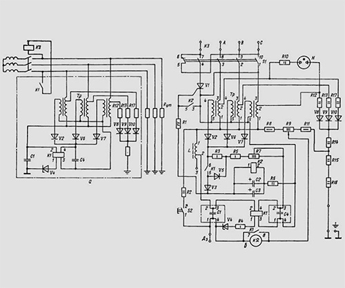
Схема аппарата (реле утечки) РУ-380 с самоконтролем на напряжение сети

Реле утечки рудничное РУ-380
следует устанавливать непосредственно у общих коммутационных аппаратов (фидерных автоматов), на которые они воздействуют при снижении сопротивления изоляции до опасной величины.
Для работы с реле утечки в качестве коммутационного аппарата должны применяться фидерные автоматы на напряжение 380В, имеющие встроенную отключающую катушку ОК.
При установке нескольких фидерных автоматов, подключенных к одному силовому трансформатору со вторичным напряжением 380В реле утечки присоединяется к общему фидерному автомату, к которому присоединены все остальные автоматы.
Применение реле утечки в сетях с заземленной нейтралью трансформатора недопустимо.







