Описание
Цилиндрический редуктор Ц2У-250 от производителя «Техно-Маркет»
Техно-Маркет — производитель и прямой поставщик цилиндрических двухступенчатых редукторов Ц2У-250 и 1Ц2У-250, предназначенных для эксплуатации в тяжелых промышленных условиях. Мы изготавливаем редукторы по стандартам ГОСТ с возможностью индивидуальной комплектации под конкретные требования заказчика.
Редукторы Ц2У-250 широко применяются в составе приводов конвейеров, буровых установок, крановых механизмов, дробильного и металлургического оборудования, где требуется надежная передача крутящего момента и снижение частоты вращения.
Назначение и принцип работы редуктора Ц2У-250
Цилиндрический двухступенчатый редуктор Ц2У-250 предназначен для:
передачи и увеличения крутящего момента;
понижения частоты вращения электродвигателя;
стабильной работы в длительном и повторно-кратковременном режимах (S1, S3).
Конструкция редуктора основана на цилиндрических косозубых передачах, что обеспечивает высокий КПД, низкий уровень шума и повышенный ресурс работы узлов.
Области применения редуктора Ц2У-250
Редуктор применяется в различных отраслях промышленности:
буровые установки и СБУ;
ленточные, цепные и скребковые конвейеры;
подъемно-транспортные и крановые механизмы;
дробилки, смесители, питатели;
металлургическое и горнодобывающее оборудование;
приводы общего промышленного назначения.
Основные технические характеристики Ц2У-250
| Параметр | Значение |
|---|---|
| Тип | Цилиндрический, двухступенчатый |
| Межосевое расстояние | 250 мм |
| Передаточные числа | 8; 10; 12,5; 16; 20; 25; 31,5; 40 |
| Исполнение | Ц2У-250 / 1Ц2У-250 |
| Направление вращения | Правое / левое |
| Режим работы | S1, S3 |
| Климатическое исполнение | У, УХЛ |
| Производитель | Техно-Маркет |
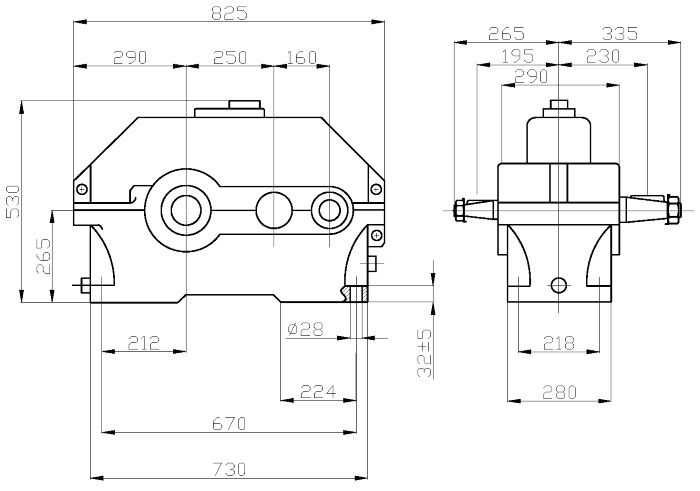
Габаритные и присоединительные размеры

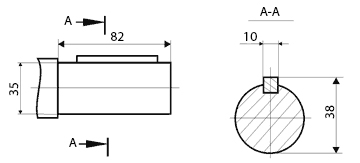
Концы валов редуктора 1Ц2У-250
Входной цилиндрический вал

Выходной цилиндрический вал

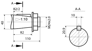
Входной конический вал

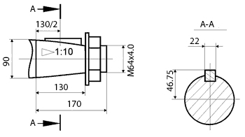
Выходной конический вал

Муфтовый выходной вал

Размеры валов редуктора Ц2У-250
Цилиндрическое исполнение валов
Входной вал
l — 82 мм
d — 35 мм
Резьба — М24×2,0
Шпонка — 10 мм
Выходной вал
l — 170 мм
l1 — 85 мм
Резьба — М64×4,0
Шпонка — 22 мм
Коническое исполнение валов
Входной вал
l — 110 мм
l1 — 82 мм
d — 40 мм
Выходной вал
l — 170 мм
l1 — 130 мм
d — 90 мм
Типоразмеры подшипников, устанавливаемых на двухступенчатые цилиндрические редукторы Ц2У-250 и 1Ц2У-250
| Типоразмер редуктора | Входной вал ( быстро- ходный ) | Коли- чество | Промежу- точный вал | Коли- чество | Выходной вал ( тихо- ходный ) | Коли- чество | Выходной вал ( тихо- ходный ) в виде зубчатой полумуфты | Коли- чество | Выходной вал ( тихо- ходный ) полый | Коли- чество |
1Ц2У-250 | 7608А | 2 | 7611А | 2 | 7318А | 2 | 7318А | 2 | 2007928 | 2 |
основные технические характеристики редукторов Ц2У-250 и 1Ц2У-250
| Типоразмер редуктора | Передаточное число, u | Фактическое передаточное число, u1 | КПД, % | Масса редуктора, кг | AwT | AwБ | Объем заливаемого масла, л |
1Ц2У-250 | 8, 10, 12.5, 16, 20, 25, 31.5, 40 | 8.26, 10.00, 12.18, 16.53, 20.00, 24.36, 31.50, 38.37 | 96 | 310 | 250 | 160 | 10 |
| Типоразмер редуктора | Номинальный крутящий момент на выходном валу при длительной работе с постоянной нагрузкой, Н*м | Допускаемый крутящий момент на выходном валу при работе редуктора в повторно-кратковременных режимах, Н*м | Допускаемая радиальная консольная нагрузка,приложенная в середине посадочной части, Н | |||||||||
| Входной ( быстроходный ) вал | Выходной ( тихохоходный ) вал | |||||||||||
| Непре- рывный (Н), ПВ=100% | Тяжелый (Т), ПВ=40% | Средний (С), ПВ=25% | Легкий (Л), ПВ=15% | (Н) | (Т) | (С) | (Л) | (Н) | (Т) | (С) | (Л) | |
1Ц2У-250 | 5000 | 6300 | 8000 | 10000 | 3150 | 3550 | 4000 | 4500 | 18000 | 20000 | 22400 | 25000 |
Схемы сборки редуктора Ц2У-250
Схема сборки определяет пространственное расположение входного и выходного валов, что упрощает монтаж редуктора в привод.
Наиболее распространенные схемы сборки:
11
12
21
22
По запросу возможна поставка редуктора с тормозом, муфтой, фланцем или дополнительными конструктивными элементами.
Варианты сборки редуктора 1Ц2У-250

Масла и объем заправки
| Модель | Объем масла | Тип масла | Температура эксплуатации | Обслуживание |
|---|---|---|---|---|
| Ц2У-250 | 4,5 л | ТСп-10 | 0…+40 °C | 1 раз в 90 дней |
| ИРП-150 / ИСП-110 | — | — | +10…+25 °C | — |
| ИТП-200 / ИТП-300 | — | — | +15…+50 °C | — |
Устанавливаемые подшипники
| Вал | Тип подшипника | Количество |
|---|---|---|
| Входной | 7608А | 2 |
| Промежуточный | 7611 | 2 |
| Выходной | 7318А | 2 |
Маркировка редуктора Ц2У-250
Пример обозначения:
Ц2У-250-20-12-У
Расшифровка:
Ц2У — тип редуктора
250 — межосевое расстояние
20 — передаточное число
12 — схема сборки
У — климатическое исполнение
Производство и поставка редукторов Ц2У-250 от «Техно-Маркет»
Преимущества работы с нами:
собственное производство без посредников;
изготовление редукторов под заказ;
подбор передаточного числа и схемы сборки;
возможность комплектации электродвигателем;
техническая консультация инженера;
паспорт изделия, чертежи и документация;
гарантия на продукцию.
Редуктор Ц2У-250 от Техно-Маркет — это надежное решение для промышленного привода с оптимальным соотношением цены, ресурса и технических характеристик.










