Описание
Двигатель ДЭ-812 купить в компании Техно Маркет. Цена от производителя.
Двигатель ДЭ 812 серии Д предназначен для работы на механизмах экскаваторов в продолжительном (S1), кратковременном (S2) и повторно-кратковременном (S3) режимах.
По способу возбуждения двигатели ДЭ изготавливаются с независимым, параллельным и параллельным со стабилизирующей обмоткой возбуждением.
Класс нагревостойки изоляции — «F» и «H».
Вид электродвигателя ДЭ 812 климатического исполнения — У, УХЛ и Т.
Конструктивное исполнение электродвигатель ДЭ 812:
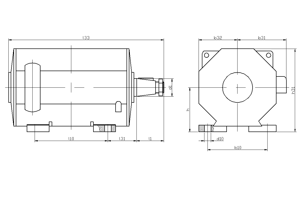
- на лапах, с горизонтальным валом, коническими концами вала — IM1003 (с одним концом вала) и IM1004(с двумя концами вала);
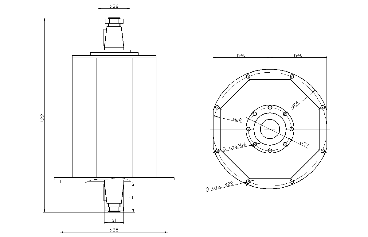
- без лап, с фланцем на корпусе, с вертикальным валом, с двумя коническими концами вала — IM4014.
Двигатель ДЭ 812 выпускается универсальными по способу охлаждения — с принудительной вентиляцией и естественным охлаждением.
Электродвигатель ДЭ 812: закрытого исполнения с естественным охлаждением и двигатели защищенного исполнения с принудительной вентиляцией взаимозаменяемы и различаются только наличием или отсутствием крышек на окнах выхода и входа воздуха.
Предназначены для работы в электроприводах экскаваторных машин.
Поставляются на комплектацию экскаваторных машин в продолжительном режиме, кратковременном и повторно-кратковременном режимах.
- Конструктивное исполнение: по ГОСТ 2479-79.
- Степень защиты: для закрытого исполнения IP 54; для защищенного исполнения IP 21 по ГОСТ 17494-87.
- Способ охлаждения: IC 40 для закрытого исполнения;
- IC 06, 37 для защищенного исполнения по ГОСТ 20459 – 87.
- Климатическое исполнение: У, Т, УХЛ по ГОСТ 15150-69.
- Категория размещения: 2.
- Класс изоляции: «Н» по ГОСТ 8865-87.
- Уровень шума: не более 85 дБА по ГОСТ 16372–84.
Основные технические данные Двигатель ДЭ 812:
| Тип двигателя | Режим работы номин. | Мощность номин., кВт | Напряж., В | Частота вращения, об/мин | Напряж. возбужд., В | Вращ. момент, Н м, | Возбужд. | Охлажд. | Масса, кг, не более | ||||||||||||
| ном | макс | ном | макс | пуск | |||||||||||||||||
| ДЭ 812 и ДЭВ 812 | S3–ПВ = 80% | 120 | 305 | 750 | 1900 | 85 | 1528 | 3140 | 3580 | независ. | принуд. | 1510 | |||||||||
| S2–60 мин | 90 | 1146 | естеств. | 1800 | |||||||||||||||||
Габаритные и установочно-присоединительные размеры экскаваторных двигателей горизонтального и вертикального исполнений:
| Тип двигателя | Конструктивное исполнение по способу монтажа | Размеры, мм | ||||||||||||||||||||||
| l1 | l10 | l31 | l33 | b10 | b31 | b32 | d1 | d10 | h | h31 | ||||||||||||||
| ДЭ 812 | IМ 1003 | 165 | 724 | 172 | 1220 | 570 | 510 | 370 | 100 | 35 | 340 | 708 | ||||||||||||
| ДЭ 812 | IМ 1004 | 165 | 724 | 172 | 1412 | 570 | 510 | 370 | 100 | 35 | 340 | 708 | ||||||||||||
| Тип двигателя | Конструктивное исполнение по способу монтажа | Размеры, мм | |||||||||
| d1 | d20 | d22 | d24 | d25 | d36 | d37 | l1 | l33 | h40 | ||
| ДЭВ 812 | IM 4014 | 110 | 900 | 35 | 970 | 800 | 430 | 480 | 253 | 1610 | 465 |
Схемы электродвигателей:
ДЭ 812, 816, 818 IM1003![]() |
ДЭ 812, 816, 818 IM1004![]() |
ДЭВ 812, 814, 816 IM4014![]() |











