Описание
Редуктор РМ-1000: цилиндрический двухступенчатый промышленный редуктор
Редуктор РМ-1000
— это мощный цилиндрический двухступенчатый редуктор общего и специального назначения с горизонтальным расположением валов, предназначенный для передачи крутящего момента, понижения частоты вращения и эксплуатации в тяжелых промышленных условиях. Устройство широко используется в приводах конвейеров, крановых механизмов, лебедок, дробилка-смесителей и другого промышленного оборудования.
Назначение и область применения
Редуктор РМ-1000 применяется в приводах машин и механизмов, где требуется:
надежное снижение частоты вращения и увеличение крутящего момента;
эксплуатация в режиме постоянной или переменной нагрузки;
устойчивость к нагрузкам в реверсивных режимах;
работа при частоте вращения входного вала до 1500 об/мин.
Ключевые области применения:
ленточные, пластинчатые, цепные конвейеры;
подъемно-транспортные механизмы и крановое оборудование;
лошадочные, дробильные, сортировочные механизмы;
лебедки, роликовые установки, металлургические приводы.
Конструктивные особенности и преимущества
Редуктор РМ-1000 разработан с учетом требований промышленного применения и характеризуется следующими преимуществами:
классическая цилиндрическая двухступенчатая передача с параллельным расположением валов;
высокий КПД — до 98%;
прочный корпус и качественные зубчатые пары из термообработанной стали;
долгий срок службы при правильном техническом обслуживании;
возможность работы в широком диапазоне температур и климатических условий.
Основные технические характеристики РМ-1000
| Параметр | Значение |
| Тип | Цилиндрический двухступенчатый |
| Межосевое расстояние | 1000 мм |
| Расположение осей | Параллельное |
| Передаточные числа | от 8 до 50 |
| Номинальный крутящий момент, Н·м | до ≈102 000 (вариант исполнения зависит от U) |
| Частота вращения входного вала | до 1500 об/мин |
| КПД | до 0,98 |
| Масса | ≈2122 кг |
| Климатическое исполнение | по ГОСТ (У, Т, УХЛ и др.) |
Приведенные значения ориентировочные и зависят от варианта сборки и исполнения редуктора.
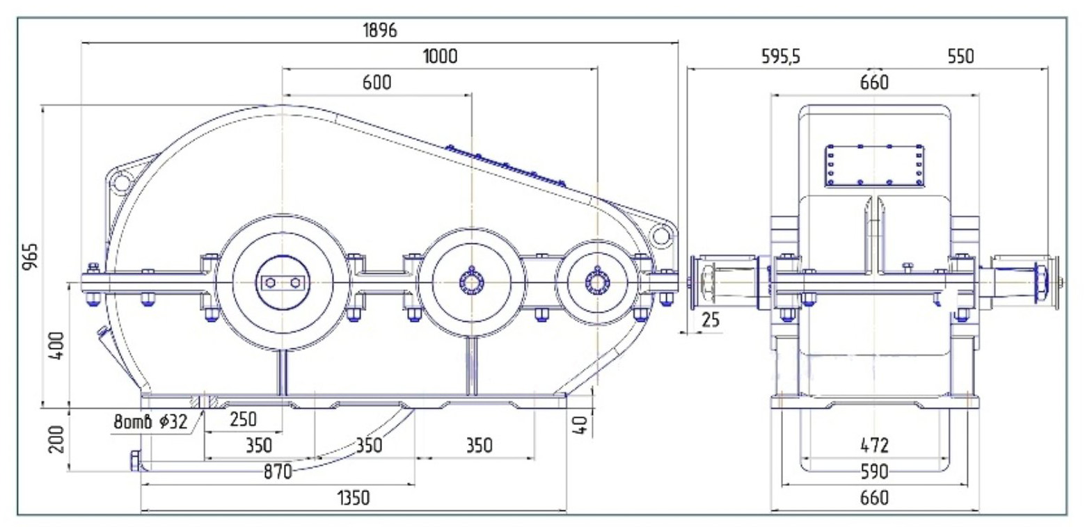
Габаритно-присоединительные размеры РМ-1000

Входной вал редуктора

Выходной вал редуктора

Схемы сборки и варианты исполнения
Редуктор РМ-1000 может изготавливаться с различными схемами сборки согласно ГОСТ, что позволяет адаптировать его под конкретные приводы:
стандартные схемы: 11, 12, 21, 22, 31 и др.;
варианты исполнения валов: цилиндрические, конические, муфтовые;
возможность заказа специализированных вариантов для кранового или тяжёлого оборудования.

Обслуживание и эксплуатация
Для стабильной работы редуктора РМ-1000 необходимо регулярное техническое обслуживание:
проверка уровня и состояния масла;
устранение утечек, очистка вентиляционных отверстий;
периодическая замена масла через стандартные интервалы;
проверка состояния подшипников и крепёжных узлов.

Маркировка и обозначение
Типовое обозначение редуктора формируется по схеме:
РМ-1000-X-YY-ZZ-Клим, где:
РМ — серия редуктора;
1000 — межосевое расстояние;
X — передаточное число;
YY — схема сборки;
ZZ — исполнение валов (цил., конич., муфта);
Клим — климатическое исполнение по ГОСТ.
Варианты сборки ( схемы) редуктора РМ 1000

Почему выгодно купить редуктор РМ-1000
Редуктор РМ-1000 — оптимальное решение для промышленных приводов, где важны:
высокая надёжность при длительных и тяжелых нагрузках;
адаптация под разные режимы эксплуатации;
многочисленные варианты схем сборки и исполнения;
доступность обслуживания и запасных частей по Украине.
Доставка и сервис
Доставка редукторов РМ-1000 по Украине и на экспорт
Мы организуем поставку редукторов РМ-1000 не только по территории Украины, но и за её пределы. Возможен экспорт оборудования в страны Европы, СНГ и другие регионы по согласованию с заказчиком.
География поставок
Украина: Киев, Харьков, Днепр, Одесса, Львов и другие города
Экспорт: страны ЕС, Восточная Европа, Кавказ, Центральная Азия, СНГ
Условия поставки
отгрузка со склада или производство под заказ;
промышленная упаковка для автомобильных и морских перевозок;
возможность поставки на условиях EXW / FCA / DAP (по договорённости);
подготовка экспортного пакета документов.
Документация для экспорта
паспорт изделия;
техническая документация и чертежи;
сертификаты соответствия (при необходимости);
экспортная маркировка оборудования.
Инженерное и сервисное сопровождение
подбор редуктора РМ-1000 под условия эксплуатации в стране заказчика;
консультация по монтажу и эксплуатации;
гарантийная поддержка.
Почему редуктор РМ-1000 выгоден для экспорта
классическая конструкция по ГОСТ — понятна и обслуживаема в любой стране;
высокая ремонтопригодность и доступность комплектующих;
возможность адаптации под локальные требования заказчика;
оптимальное соотношение цены, ресурса и мощности.
Редукторы зубчатые цилиндрические двухступенчатые горизонтальные РМ-1000 служат для увеличения крутящих моментов и уменьшения частоты вращения.
Пример условного обозначения редуктора
РМ-1000-20-11-М-2-У1, РМ-1000-31,5-12-М-2-У1
Где: РМ — тип редуктора;
1000 — межосевое расстояние;
20, 31,5 — передаточное число;
11 и 12 — вариант исполнения сборки;
М — исполнение конца выходного вала в виде части зубчатой муфты;
2 — категория точности;
У1 — климатическое исполнение.
Технические характеристики редуктора РМ-1000
| Редуктор | РМ-1000 |
| Передаточные числа | 8, 10, 12,5, 16, 20, 22,4 , 31,5, 40, 50 |
| Масса (вес) редуктора, кг | 2122 |
Габаритные размеры редуктора РМ-1000 (в прилагаемой схеме).
| Редуктор | Межосевое расстояние | L | L1 | L2 | l | l1 | l2 | l3 | l4 | l5 | l6 | B | B1 | B2 | H | H1 | h | |
| awc | aw1 | |||||||||||||||||
| РМ-1000 | 1000 | 600 | 1896 | 550 | 595,5 | 1350 | 870 | 350 | 250 | 639 | 645 | 200 | 660 | 590 | 660 | 965 | 400 | |
Размеры и диаметр входного вала РМ-1000 (в прилагаемой схеме).
| Редуктор | d1 | d2 | d3 | d4 | l1 | l2 | b | h | t |
| РМ-1000 | 90 | 83,75 | М64*4 | 130 | 170 | 130 | 22 | 14 | 9 |
Размеры и диаметр выходного вала РМ-1000 (в прилагаемой схеме).
| Редуктор | d | d1 | b | l | t |
| РМ-1000 | 130m6 | 170 | 36 | 200 | 162 |
Варианты сборки редуктора РМ-1000 (в прилагаемой схеме).
Объем заливаемого масла редуктора РМ-1000 — 55 л
Для струйной смазки применять масло И50А или И70А.
Редуктор РМ-1000 — это мощное, проверенное временем и технически зрелое решение для широкого спектра промышленных задач, от конвейерных линий до тяжелого кранового оборудования. Он сочетает высокий КПД, прочную конструкцию и вариативность исполнения, что делает его одним из самых востребованных редукторов в классе цилиндрических двухступенчатых редукторов.











