Описание
Плита распорная передняя СМД-111 3440.00.008/3442.00.002 купить в Техно-Маш по хорошей цене.
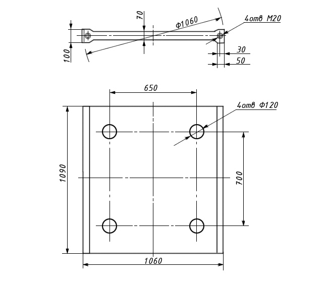
Назначение: плита распорная передняя СМД-111 3440.00.008/3442.00.002
Служат для передачи движения от шатуна подвижной щеке, а также выполняют предохранительную функцию.
При попадании не дробимого материала одна из распорных плит ломается, предохраняя от поломки более сложные и дорогостоящие детали дробилки.
После устранения причины поломки и замены сломавшейся распорной плиты дробилку вновь пускают в действие. Распорные плиты отливаются из чугуна СЧ20.
Технические характеристики:
| Наименование детали | Номер чертежа | Материал | Масса, кг | Применение | Габаритные размеры, (мм) |
| Плита распорная задняя | 3442.00.008 | СЧ20 | 760 | СМД-111 СМД-111Б | 1090х1090 Н=100 |
Купить запчасти для щековой дробилки СМД-111.
Доставка на склад покупателя в любой регион Украины.
Цена: Ценy уточняйте.







