Описание
Насосный агрегат НШ-4 с электродвигателем на станине
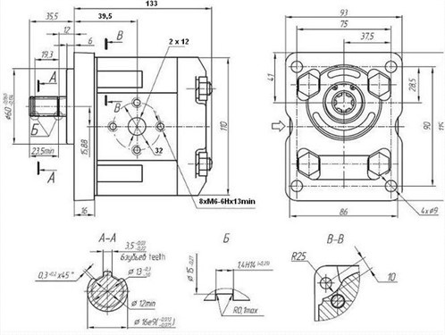
Гидравлический насосный агрегат НШ4 / GP2K 4R-A101A
Насосный агрегат НШ-4 с электродвигателем на станине — это компактная гидравлическая установка, предназначенная для подачи рабочей жидкости в гидросистемы промышленного оборудования, станков, прессов и различных механизмов.
Изготовление агрегатов выполняется контрактным производителем ПП «Техно-Маркет» с контролем качества на каждом этапе производства. Оборудование проходит проверку работоспособности перед поставкой.
Гарантийные обязательства на поставляемое оборудование — 12 месяцев.
Назначение насосного агрегата
Агрегат предназначен для создания и подачи давления в гидравлических системах оборудования:
гидравлические станции
промышленное и станочное оборудование
прессовое оборудование
гидравлические приводы механизмов
технологические установки
Благодаря компактной конструкции агрегат удобно устанавливается на станину или раму оборудования.
Конструктивное исполнение агрегата
Насосный агрегат состоит из следующих основных узлов:
шестерёнчатый гидравлический насос НШ-4
электродвигатель промышленного исполнения
соединительная муфта
опорная станина (рама)
защитные элементы крепления

Конструкция обеспечивает стабильную передачу крутящего момента от электродвигателя к насосу и устойчивую работу гидросистемы.
Дополнительный вариант комплектации
По согласованию с заказчиком агрегат может комплектоваться импортным шестерёнчатым насосом: GP2K 4R-A101A
Данный насос применяется как аналог или замена насосов малой производительности в гидравлических системах промышленного оборудования.
Основные технические характеристики
Преимущества насосного агрегата
компактная конструкция
простота установки и обслуживания
стабильная подача масла
возможность комплектации различными насосами
надежная работа в промышленной эксплуатации
Наименование агрегата | Подача л/мин | Мощность двигателя, кВт/ 1500 об.мин. | Давление МПа | Сборка | |
фланцевое исполнение | на станине | ||||
Агрегат с НШ4 GP2K 4R-A101A | 6 | 1,1 | 10 | да | да |
1,5 | 13 | да | да | ||
2,2 | 19 | да | да | ||
3 | 26 | да | да | ||
Производство и контроль качества
Насосные агрегаты производятся ПП «Техно-Маркет» с обязательным контролем на всех этапах изготовления:
контроль механической обработки
проверку сборки агрегата
проверка работы гидронасоса
финальный контроль перед отгрузкой
Гарантийные обязательства
На насосный агрегат распространяется гарантия 12 месяцев при соблюдении условий эксплуатации.








