Описание
Концевой выключатель КУ-701А — путевой выключатель для кранов и промышленного оборудования
Концевой выключатель КУ-701А — это надежный электромеханический путевой выключатель, предназначенный для коммутации цепей управления в крановых электроприводах, подъемно-транспортных и строительных механизмах. Применяется в качестве ограничителя крайних положений и защиты механизмов от выхода за допустимые рабочие зоны.
Выключатель КУ-701А широко используется на экскаваторах ЭКГ-5, ЭКГ-8, мостовых, козловых и башенных кранах, а также в конвейерных системах и других промышленных установках.
Назначение и область применения КУ-701А
Концевой выключатель КУ-701А предназначен для:
ограничения горизонтального и линейного перемещения механизмов;
автоматического отключения цепей управления при достижении предельных положений;
предотвращения перегрузок и аварийных ситуаций в крановых установках.
Обязателен к применению в механизмах подъема и передвижения кранов согласно требованиям промышленной безопасности.
Области применения:
экскаваторы ЭКГ-5, ЭКГ-8 и аналоги;
мостовые, козловые, портальные и башенные краны;
тельферы и подъемники;
ленточные и роликовые конвейеры;
промышленное оборудование с ограничением хода.
Принцип работы путевого выключателя КУ-701А
КУ-701А оснащён рычажным приводом с роликом и самовозвратом в нулевое положение. При воздействии подвижного элемента механизма на ролик происходит замыкание или размыкание электрических контактов.
Органом воздействия служит ограничительная линейка, обеспечивающая точное срабатывание выключателя. Конструкция рассчитана на повторно-кратковременный режим работы с высокой частотой включений.
Конструктивные особенности
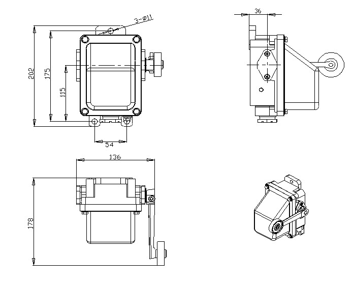
Литой корпус из алюминиевого сплава АК-12
Брызгозащищенное исполнение
Две независимые электрические цепи
Рычаг с роликом, угол рабочего хода — 45°
Наличие гермоввода (сальника)
Устойчивость к вибрациям и механическим нагрузкам
Климатическое исполнение У3 позволяет эксплуатировать выключатель при температуре от –40 до +40 °C, включая работу на открытом воздухе (при защите от прямых осадков).

Преимущества концевого выключателя КУ-701А
Надежная и проверенная временем конструкция
Высокая износостойкость контактов
Работа на постоянном и переменном токе
Простота монтажа и обслуживания
Совместимость с большинством крановых механизмов
Доступность запасных частей и аналогов
Аналоги и совместимость
Концевой выключатель КУ-701А совместим и взаимозаменяем с моделями:
КУ-701
КУ-701С
КУ-701У
Аналоги могут отличаться типом привода, степенью защиты или климатическим исполнением, при этом сохраняют общее назначение.
Монтаж и эксплуатация
Установка КУ-701А производится на жесткое основание с точной настройкой взаимодействия ролика с упором. Не допускается избыточное усилие на рычаг.
Для увеличения срока службы рекомендуется:
периодическая очистка от пыли и загрязнений;
контроль состояния контактов;
проверка герметичности ввода кабеля.
Технические характеристики концевого выключателя КУ-701А
Основные электрические параметры
| Параметр | Значение |
| Тип оборудования | Концевой (путевой) выключатель |
| Модель | КУ-701А |
| Номинальный ток | 10 А |
| Напряжение переменного тока | до 380 В |
| Напряжение постоянного тока | до 440 В |
| Род тока | Переменный / постоянный |
| Частота включений | до 600 вкл/откл в час |
| Режим работы | Повторно-кратковременный |
| Механическая износостойкость | 1 000 000 циклов |
Конструкция и исполнение
| Характеристика | Описание |
|---|---|
| Тип привода | Рычаг с роликом |
| Возврат рычага | Самовозврат в нулевое положение |
| Число электрических цепей | 2 независимые цепи |
| Угол рабочего хода | 45° |
| Материал корпуса | Алюминиевый сплав АК-12 |
| Исполнение корпуса | Брызгозащищённое |
| Наличие гермоввода | Да (сальник) |
| Степень защиты | IP44 |
| Климатическое исполнение | У3 |
| Температурный диапазон | от –40 до +40 °C |
Габаритные и весовые характеристики
| Параметр | Значение |
|---|---|
| Высота | 202 мм |
| Ширина | 140 мм |
| Глубина | 178 мм |
| Вес изделия | 2,6 кг |
| Объём упаковки | 0,00714 м³ |
| Вес брутто | 2,6 кг |
Электрические параметры контактов КУ-701А
| Тип тока | Напряжение | Включаемый ток, А | Отключаемый ток, А |
|---|---|---|---|
| Переменный | до 500 В | 10 | 2,0 / 1,5 / 0,5 |
| Постоянный | 110 В | 10 | 2,0 |
| Постоянный | 220 В | 10 | 1,5 |
| Постоянный | 440 В | 10 | 0,5 |
Классификация и обозначение выключателя КУ-701А
Структура условного обозначения
| Элемент обозначения | Расшифровка |
|---|---|
| КУ | Выключатель путевой |
| 701 | Классификация привода |
| А | Модификация |
| У3 | Климатическое исполнение и категория размещения |
Сравнение с аналогами
| Модель | Тип привода | Степень защиты | Климатическое исполнение | Примечание |
|---|---|---|---|---|
| КУ-701А | Рычаг с роликом | IP44 | У3 | Базовая модель |
| КУ-701 | Рычажный | IP44 | У | Аналог |
| КУ-701С | Усиленный | IP54 | УХЛ | Повышенная защита |
| КУ-701У | Универсальный | IP44 | У | Модификация |
Применение КУ-701А (таблица релевантности)
| Оборудование | Назначение выключателя |
|---|---|
| Экскаваторы ЭКГ-5, ЭКГ-8 | Ограничение хода механизмов |
| Мостовые краны | Защита крайних положений |
| Башенные и козловые краны | Контроль перемещения |
| Тельферы | Управление цепями |
| Ленточные конвейеры | Ограничение движения |
Купить концевой выключатель КУ-701А
КУ-701А — оптимальный выбор для предприятий, использующих крановое и подъемно-транспортное оборудование. Надежность, соответствие промышленным стандартам и широкая область применения делают его востребованным решением для эксплуатации в условиях Украины.











