Описание
Компания реализует по цене о производителя командоапараты КА4658-5.
Командоаппараты кулачковые КА4658-5 предназначены для автоматического управления электрическими приводами постоянного и переменного тока путем переключения вторичных цепей контакторов, пускателей, цепей автоматики, телемеханики и т. д.; напряжением до 440 В постоянного тока и 380 В переменного тока, частотой 50 гц.
Широкий спектр передаточных соотношений (от 1:1 до 1:30), надежная фиксация замкнутого и разомкнутого состояния контактов, возможность привода от независимого электродвигателя постоянного тока, позволяет устанавливать эти аппараты для контроля положения технологического оборудования. Аппараты расчитаны главным образом для работы на предприятиях тяжелой и горнометаллургической промышленности.
Командоаппараты КА-4600 применяется в качестве путевого выключателя на механизмах сталкивателей слитков на слиткоподачах блюмингов, на приводах механизмов толкателей слябов и т.д. Специфическое применение командоаппаратов, конечно, не ограничивает их установку в схемах автоматического управления других электроприводов.
Аппараты расчитаны главным образом для работы на предприятиях тяжелой и горнометаллургической промышленности. Командоаппараты КА-4600 применяется в качестве путевого выключателя на механизмах сталкивателей слитков на слиткоподачах блюмингов, на приводах механизмов толкателей слябов и т.д.
Специфическое применение командоаппаратов, конечно, не ограничивает их установку в схемах автоматического управления других электроприводов.
Технические характеристики
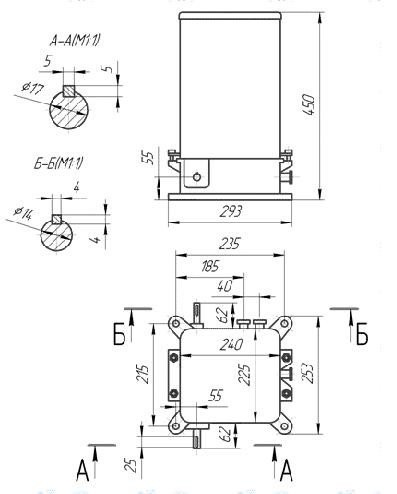
Командоаппараты состоят из кулачкового барабана, контактной панели, вала, стального корпуса. Ввод контрольного кабеля осуществляется через специальные отверстия в корпусе, снабженное герметичным уплотнительным соединением. Командоаппараты серии КА4000, КА4100, КА4200 и КА4600 рассчитаны для реверсивной работы со скоростью вращения барабана до 60 об/мин.
Режим работы командоаппаратов продолжительный или повторно-кратковременный при относительной продолжительности включения не более 60, допускается кратковременная (до 5 минут) работа со скоростью вращения барабана до 150 об/мин. Общее количество В/О не должно превышать 1200 в час.
Присоединительные зажимы командоаппаратов допускают присоединение по одному проводнику сечением от 1,5м2 до 4 мм2, или двух проводников сечением до 2,5 мм2. Сопротивление изоляции сухих и чистых командоаппаратов > 10 MOM.
Условия эксплуатации
Командоаппараты расчитаны для работы на высоте над уровнем моря не более 2000 м, при температуре окружающего воздуха от — 30°С до + 40°С. Рабочее положение в пространстве: – командоаппаратов серии КА4000 и КА4100 — вертикальное (±5): – командоаппараты серии КА4600 — на горизонтальном основании (±5).
Технические характеристики
Командоаппараты состоят из кулачкового барабана, контактной панели, вала, стального корпуса. Ввод контрольного кабеля осуществляется через специальные отверстия в корпусе, снабженное герметичным уплотнительным соединением. Командоаппараты серии КА4000, КА4100, КА4200 и КА4600 рассчитаны для реверсивной работы со скоростью вращения барабана до 60 об/мин.
Режим работы командоаппаратов продолжительный или повторно-кратковременный при относительной продолжительности включения не более 60, допускается кратковременная (до 5 минут) работа со скоростью вращения барабана до 150 об/мин. Общее количество В/О не должно превышать 1200 в час.
Присоединительные зажимы командоаппаратов допускают присоединение по одному проводнику сечением от 1,5м2 до 4 мм2, или двух проводников сечением до 2,5 мм2. Сопротивление изоляции сухих и чистых командоаппаратов > 10 MOM.
Командоаппараты серии КА рассчитаны на работу в цепях управления постоян. тока с напряжением до 440 Вольт и до 500 Вольт перемен. тока, c частотой 50 и 60 Герц.
Основные атрибуты
- Передаточное число редуктора, 1:30.
- Выход вала Односторонний.
- Масса, кг, 31.
- Степень пылевлагозащиты, IP 55.
- Ток, А 16.
- Минимальная рабочая температура, 45.
- Максимальная рабочая температура 40.
- Высота 450.
Условия эксплуатации:
- Высота над уровнем моря — менее 2000 метров.
- Температура окружающей среды: для исполнения У2 — от -45 до +40° С при относит. влажн. 80% при 20° С; для исполнения Т2 — от -10 до +45° С при относит. влажн. 90% при 27° С; для исполнения УХЛ4 — от +1 до +35° С при относит. влажн. 65% при 20° С.
- Окружающая среда – невзрывоопасная и не содержащая пыли в концентрациях, которые могут снижать параметры командоаппаратов КА в недопустимых пределах.
- Группа механического исполнения — М3 по ГОСТ 17516.1-90 (но частота вибрационных нагрузок не должна быть более 25 Герц).
Рабочее положение в пространстве: у серий КА4000, КА4100 – горизонтальное (крепление на горизонтальном основании); серии КА4200 – вертикальное (крепление на вертикальном основании); серии КА4600 – вертикальное (крепление на горизонтальном основании). - Допускается отклонение командоаппарата от рабочего положения на не более чем 5 градусов в любую сторону.
- Режим работы командоаппаратов КА — продолжительный.
- Степень защиты командоаппаратов серии КА4000, КА4100 и КА4200 — IР30, КА4600 — IР55.
Доставка на склад покупателя
Цена: Оптовые и розничные цены уточняйте.









